用 途JS5系列拉動式機械計數器是引進德國西門子公司的3AF真空開關的計數裝置,具有工作可靠、體積精小等優點,其最大特點是沒有復零機構,適用于真空斷路、高壓開關、電器、機床等設備,品種共有四種。
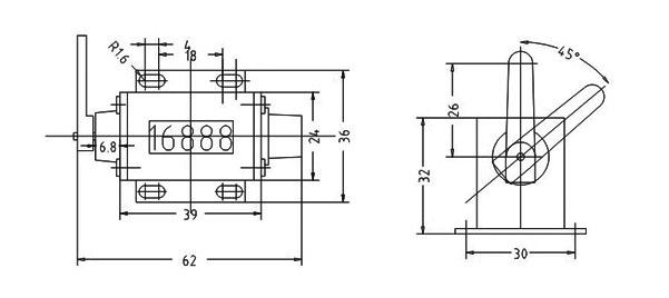
產品型號及名稱 型號:JS5系列 規格:5位數 名稱:拉動式機械計數器
使用條件 溫度:-25℃~+50℃ 濕度:≤80% 振動:≤500Hz
主要技術參數 計數范圍:0~9999 拐臂工作角度:0~50°
其 他
a、拐臂靜態裝置:擰松固定螺釘,取下拐臂后,可任意調整所需角度。
b、顯示的數值處理:用戶在生產過程中,產生在計數器上的數值,可記錄在檢驗單上,作整機出廠的基數處理。
c、拐臂左置,右置,數字順時針或逆時針轉請在訂貨中注明。
